Quilting Ruler Template

Item No. :  QT-HC4-A-3

Inquiry

Details


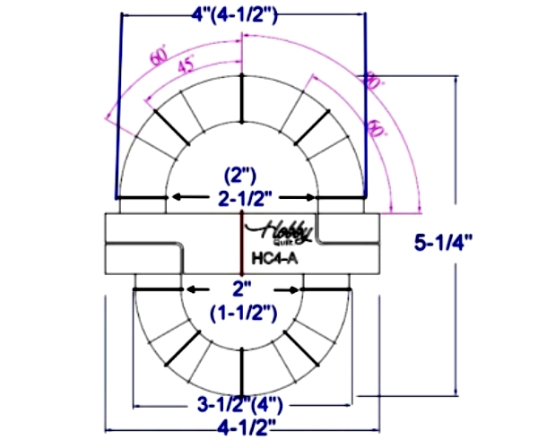
Item No. QT-HC4-A  (5-1/4″x4-1/2″)


This tempate can make 4 size half circle – 4″& 4-1/2″ from outside and 2″ & 1-1/2″ from inside.


This template is laser-cut from 3mm or 5mm acrylic and laser-engraved (etched) on the back side to reduce parallax errors and for long-lasting accuracy when quilting.  The 3mm thick template is especially for all low shank (short shank) machines allowing the template to pass freely under the presser bar clearance and to go all around the ruler foot and 5mm for long arm or mid-arm quilting machines with hopping foot.

Related Products